Wednesday, May 26, 2010

Rangkaian Infra Red Remote Tester

Infra Red Remote Tester

The circuit is very effective to test the remote controls what still works or not, the remote record will be tested using infra red. Examples of the TV remote, AC and others. Please try I am sure 100% will be successful.

Rangkaian Remote TesterRangkaian Remote Tester

The workings of the circuit is very simple, when the infra red sensor receive infrared signals pin 2 sensor will produce a voltage, this voltage will drives the PNP transistor so that the LED lamp and piezo disc (BZ) is active. for the power supply you can use a 9 volt battery and then use IC 7805 or use 1.5 volt batteries x 3

Following the specification of components installed
  • Transistor BC557
  • TSOP 1738 Sensor Infra Red
  • R1 = 10k ohm ¼ watt Resistor
  • R2 = 1k ohm ¼ watt Resistor
  • R3 = 1k ohm ¼ watt Resistor
  • BZ = piezo disc
  • led
TSOP 1738 Sensor Infra Red



Features
  • Photodetector and preamplifier circuit in the same casing.
  • Receives and amplifies the infrared signal without any external component.
  • 5 V output (active at level 0).
  • 38 kHz integrated oscillator.
  • High sensitivity.
  • High level of immunity to ambient light.
  • Improved shielding against electrical field interference.
  • TTL and CMOS compatibility.
  • Applications: infrared remote control.
Technical specification
  • Supply: 5 V
  • Power consumption: 0.4 to 1.0 mA
  • Min. Ee irradiation: 0.35 mW/m2 typ.
  • Angle of detection: 90
  • Dimensions of the casing (mm): 12.5 x 10 x Thickness 5.8
  • Temperature range: -25 C to +85 C

Sunday, May 23, 2010

Rangkaian Pengukur Jarak

This circuit Can be Used to Measure distance covered by bicycle using a reed switch as the sensor and use the magnet tied to a wheel. Detection of rolling is then made by a proximity effect, Pls the magnet close to the reed switch. This close / open reed switch contact Can use to make on-off signal. 68HC908QY4 microcontroller function for counting the pulse signal Produced by reed switches, and then Direct display in meter unit through lcd 16 x 1 line LCD

 Pengukur Jarak Prototipe Pengukur Jarak Prototipe

Rangkaian Pengukur JarakSkema rangkaian pengukur jarak

To Interface signals for LCD are D4-D7, RS and E. 4-bit It was interfacing, no busy checking. D0-D3 and R / W # is not Used, so We must tie to GND. Since We Can not check Busy bit, so the delay routine must be ready LCD Used to wait for command and writing data. The sensor inputs are PTA2 for reed switch contact and PTA0 for 0 / +5 V analog input can use a small phone jack for both sensors. in the image below shows a sample sensor and cable making. Later shrinkage tube We need to protect the sensor. The position sensor Pls Pls fix to the bicycle wheel Also Important. We need the magnetic flux perpendicular to the contact.

sensor and cable making

Software/program

Software for write to68HC908QY4 microcontroller is s-record.hex ,which was written by C-language ,the source code is firmware source code.

source http://chaokhun.kmitl.ac.th

Wednesday, May 19, 2010

Rangkaian Line Follower ROBOT Berbasis AT89C2051

This Circuit of Line Follower ROBOT has been getting from VingPeaw Competition Award winner in 2543, the robot built with mikrokontroler AT89C2051, L293D, and four IR sensors. Simple circuit and platform, quick tracking and easy-understand program using C language.

The Line Follower ROBOT designed which use two motors control rear wheels and the single front wheel is free. It has 4-infrared sensors on the bottom for detect black tracking tape, when the sensors detected black color, output of comparator, LM324 is low logic and the other the output is high.

Prototipe Line Follower ROBOT
Prototipe Line Follower ROBOT

Rangkaian Line Follower ROBOT
Microcontroller AT89C2051 and H-Bridge driver L293D were used to control direction and speed of motor.
Position of sensors the robot, left hand side is side view and right hand side is top view
Skema rangkaian Infrared sensors and comparators

Software/program

Software for write to AT89C2051 is robot1.hex ,which was written by C-language ,the source code is robot1.c compiled by using MC51 in TINY model with my start up code robot.asm .

Source: http://www.kmitl.ac.th

Tuesday, May 18, 2010

Rangakaian Downloader Mikrokontroler AVR Menggunakan USB

This circuit is a downloader for Atmel AVR microcontroller. The circuit uses ATMega48 or ATmega8 and a few other passive components. Programmer or a downloader uses a USB-only drive firmware (firmware-only USB driver), does not require a special USB controller.

Rangakaian Downloader Mikrokontroler AVR Menggunakan USBSkema Rangakaian Downloader
Mikrokontroler AVR Menggunakan USB


Features
  • Can be used for a variety of platforms, have been tested for Linux, Mac OS and Windows;
  • Does not require special controllers or smd components;
  • Speeds may reach 5kByte/detik programming;
  • Option SCK to support low-speed microcontroller targets < 1.5 Mhz
Software
  • AVRDUDE USBasp support since version 5.2 - Take AVRDUDE.
  • Khazama AVR - Programmer is an application Windows XP / Vista for USBasp and avrdude.
  • EXtreme Burner - AVR is a Windows GUI software specifically for USB AVR programmer USBasp based, not use AVRDude.

Source

Sunday, May 16, 2010

Rangkaian Thermometer Berbasis Mikrokontroler AT89S52

This is a circuit of a microcontroller AT89S52 Thermometer and 12-bit ADC LTC1298, programs written in the language c program with digital filtering and interface the LED display. The reading provides 0.1C sensitivity.

The hardware block and circuit diagram is shown in Fig below. The sensor is epoxy molded thermistor. The circuit for signal conditioning is a simple voltage divider. The ADC is 12-bit SPI interface LTC1298 analog-to-digital converter. The microcontroller is Atmel 89S52. The display has four digits 0.5 inches 7-segment LED. The segment driver provides 32-bit CMOS output.

Rangkaian Thermometer Berbasis Mikrokontroler AT89S52
Skema Rangkaian Thermometer Berbasis Mikrokontroler AT89S52

Rangkaian Thermometer Berbasis Mikrokontroler AT89S52
Thermometer Block Diagram

The ADC is 12-bit (LTC1298 or MC3202) are two channels, CH0 and CH1. The input signal from thermistor for ADC channel 0 is simple voltage divider. Channel1 is available for other sensor. The sample shown in schematic is HIH-3160 Honeywell Relative Humidity Sensor. The ADC chip is interfaced with MCU, 89S52 with P1.1, P1.2 and P1.3. The display has 4-digit LED. The 4094 CMOS shift register drives the LED directly.


Software

The main function is time triggered by 10ms timer0 running. The ADC is updated on LED every 10 ticks.

while(1)
{
while(!cputick)
continue;
cputick=0;
print_ADC();
}

The function that reads 12-bit data from ADC is read_ADC(char n). The function has two loops. First loop is to send 4-bit command. And the second loop is 12-bit to shift the data from ADC.

sbit Data = P1^1;
sbit CLK = P1^2;
sbit CS = P1^3;


int read_ADC(char n)
{ int k;
char i,channel;
k=0;
CS=0;
if(n==0) channel=0x0d;
else channel=0x0f;

for(i=0;i<4;i++) clk =" 0;" data =" 1;" data =" 0;" clk =" 1;" data =" 1;" clk =" 0;" i="0;i<12;i++)" clk="1;" clk="0;" cs =" 1;">

To provide smooth reading, I added the 5-point moving average to the raw data. The function low_pass_filte1( ) is used to filter the high frequency noise. The reading is calibrated to degree Celsius with Platinum 100 standard thermometer. We found the equation y=0.0323x-15.122.

int low_pass_filter1(void)
{
x5=x4;
x4=x3;
x3=x2;
x2=x1;
x1=read_ADC(0);
return(x1+x2+x3+x4+x5)/5;
}

float read_temp1_filter(void)
{
return(0.0323*low_pass_filter1()-15.122);
}



Thursday, May 13, 2010

Rangkaian Control DC Fan Menggunakan Remote TV

Control DC Fan Menggunakan Remote TV

This circuit measures temperature in Celsius and displays it on an alphanumeric LCD. When temperature rise to 40C an alarm is activated and the electromechanical relay is also activated which drives a fan to keep the temperature at a level. Another feature of this circuit is that you can use the keys "1,2,3,4" of a Philips TV IR remote to turn on or off three relays. Key '4' is used to turn on or off the buzzer alarm.

Rangkaian Control DC Fan Menggunakan Remote TVSkema Rangkaian Control DC Fan Menggunakan Remote TV


The MCU is the ATMEL AT89C51. The LM35 is an TO-92 package temperature sensor. It senses heat from 0C to 100C. The output provides 10mV/C. We use the simple analog to digital converter, ADC0804 to convert the analog signal to digital data. The 8-bit digital data is tied to PORT1. This data is processed by microcontroller and the temperature is displayed on lcd connected to PORT2. The control pins of lcd are connected to PORT0. Some bits of the PORT0 also control the relays and buzzer. The ULN2003 chip is used to drive the relays. Pin 1 to 7 are the inputs and 10 to 16 are respective outputs. Pin 8 is ground and pin 9 is connected to the output of 7808 voltage regulator. The 7805 voltage regulator drives rest of the circuit. I used a standard buzzer driven by LM555 timer/oscillator chip. The 555 circuit is a multivibrator having output for driving the buzzer. We may use any IR receiver module and connect the output to pin 10 of microcontroller. The relay connected to pin 13 of ULN2003 turns on when temperature rises above 40C.

You may download all files in zip format. The file contains the images of completed project, hex file, circuit diagram and pcb file.

Source

Rangkaian RTC Berbasis AT89C4051

Rangkaian RTC Berbasis AT89C4051

This is a circuit diagram for the digital clock. Port 1 of the controller (AT89C4051) is Used as the data lines for the 20 x 4 lines LCD display.

The source code for the project is written in C-language, and compiled using Keil C compiler, Can you download the c-code, schematic, and if you do not have a cross compiler then you burn the cans directly on to the HEX file your chips here

Rangkaian RTC Berbasis AT89C4051Skema Rangkaian RTC Berbasis AT89C4051

RTC with Costume fonts Demo

If you think that 'there is a problem in the of availability of the chips mentioned in the schematic, then you cans use AT89C51/AT89C52 Also, make sure That you are using the Same port for the LCD and switches Which are there in the C- files or in the schematic.

in the image above as you cans see the digits are Bigger than the normal size. For this purpose I'm maiking use of the CGRAM of the LCD, Which gives to the user the flexibility to define user defined characters. so to create a character We first need to get the Which values are to be written into the CGRAM area. The CGRAM area starts from address 0x40 and for Every character Which there are eight locations are to be written.

Figure below shows the custom character creation. so Pls We get the values for all the pixels. These values We write to the CGRAM. The Digits 0-9 Can be created with the help of eight custom characters and Standard and Poor.

user defined character

NOTE: You Can only create upto 8 custom characters.

Source

Sunday, May 09, 2010

Rangkaian Battery Tester ( Penguji Battery)

This circuit can be used to test the battery without the need of power supply or expensive moving-coil voltmeters. It has two Ranges: Pls SW1 is set as shown in the circuit diagram, test the circuit cans 3V to 15V batteries. When SW1 is switched to the other position, only 1.5V cells Can be tested.

Rangkaian Battery Tester ( Penguji Battery)Skema Rangkaian Battery Tester ( Penguji Battery)

List Component:

R1______________2K2 1/4W Resistor
R2______________3R3 1/4W Resistor
R3_____________10R 1/4W Resistor
R4______________4K7 1/4W Resistor
R5_____________33K 1/4W Resistor
R6,R7_________100K 1/4W Resistors
R8____________220K 1/4W Resistor
R9____________330K 1/4W Resistor
R10___________500K Trimmer Cermet
C1,C2__________10nF 63V Polyester Capacitors
C3-C7_________100nF 63V Polyester Capacitors
C8____________220µF 35V Electrolytic Capacitor
D1,D7___________LEDs Red 5mm. (see Notes)
D2-D6________1N4148 75V 150mA Diodes
Q1___________2N3819 General purpose FET
Q2,Q3_________BC337 45V 800mA NPN Transistors
IC1,IC2________7555 or TS555CN CMos Timer ICs
P1_____________SPST Pushbutton
SW1____________DPDT Switch
BUT____________Battery under test

Testing 3V to 15V batteries:
  • Switch SW1 as shown in the circuit diagram.
  • Place the battery under test in a suitable holder or clip it to the circuit.
  • Wait some seconds in order to let C8 reach its full charge.
  • LED D1 illuminates at a constant intensity, independent of battery voltage.
  • If D1 illuminates very weakly or is fully off the battery is unusable.
  • If D1 has a good illumination, press P1 and keep an eye to LED D7. If D7 remains fully off, the battery is in a very good state.
  • If D7 illuminates brightly for a few seconds, the battery is weak. This condition is confirmed by a noticeable weakening of D1 brightness.
  • If D7 illuminates weakly for a few seconds but D1 maintain the same light intensity, the battery is still good but is not new.
Testing 1.5V batteries:
  • Switch SW1 in the position opposite to that shown in the circuit diagram.
  • Place the battery under test in a suitable holder or clip it to the circuit.
  • Wait some seconds in order to let C8 reach its full charge.
  • LED D1 illuminates very weakly only in presence of a new battery, otherwise is off.
  • Press P1 and keep an eye to LED D7. If D7 remains fully off the battery can be in very good state.
  • If D7 illuminates brightly for a few seconds, the battery is weak.
  • If D7 illuminates weakly for a few seconds, the battery is still good but is not new.
  • If you are suspecting a 1.5V cell to be completely discharged, a better test can be made wiring two 1.5V batteries in series, then running the 3V test.

The TS555 is a single CMOS timer which offers very low consumption and high frequency (f(max.) TS555 = 2.7MHz - f(max.) NE555 = 0.1 MHz) Thus, either in Monostable or Astable mode, timing remains very accurate.

IC TS555 PinningIC TS555 Pinning

The TS555 provides reduced supply current spikes during output transitions, which enables the use of lower decoupling capacitors compared to those required by bipolar NE555. Timing capacitors can also be minimized due to high input impedance (1012 W).

Maximum rating ic
Supply Voltage: +18 V
Junction Temperature: +150 oC

Source

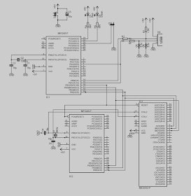
Sistem Minimum Mikrokontroler ATmega8535

Minimum System ATmega8535 microcontroller, is the minimum necessary circuits for the operation of the microcontroller IC, then this minimum circuit can be connected with other circuits to perform certain functions. In the AVR microcontroller family, Atmega8535 series is one series that is very widely used.

 Rangkaian Sistem Minimum Mikrokontroler ATmega8535 Skema Rangkaian Sistem Minimum
Mikrokontroler ATmega8535


To make this ATmega8535 microcontroller minimum system required several components, namely:
  • ATmega8535 microcontroller IC
  • 1 XTAL 4 MHz or 8 MHz (XTAL1)
  • 3 paper capacitors, two 22 pF (C2 and C3) and 100 nF (C4)
  • a 4.7 UF electrolytic capacitors (C12) 2 is 100 ohm resistor (R1) and 10 Kohm (R3)
  • 1 reset button pushbutton (PB1
  • DC 5V voltage regulator
Briefly, ATMega8535 has several capabilities:
  • Microcontroller based 8-bit RISC with a maximum speed of 16 MHz.
  • Has 8 KB of flash memory, SRAM and 512 bytes of EEPROM (Electrically Erasable Programmable Read Only Memory) of 512 bytes.
  • Having the ADC (analog converter-to-digital) 10 bit internal precision of 8 channel.
  • Has a PWM (Pulse Wide Modulation) as much as four internal channels.
  • Serial communication port (USART), with maximum speed of 2.5 Mbps.
  • Six options sleep mode, to save the use of electric power.
ATmega8535ATmega8535ATmega8535 Pinning

ATMega8535 microcontroller has 40 pins for the model PDIP. The names of the pins on the microcontroller are
  • VCC for the positive power supply voltage.
  • GND to the negative power supply voltage.
  • Porta (PA0 - PA7) as a port Input / Output and has other capabilities as an input to the ADC is
  • PortB (PB0 - PB7) as a port input / output and also has other capabilities.
  • PortC (PC0 - PC7) as a port Input / Output to ATMega8535.
  • PortD (PD0 - PD7) as a port input / output and also has other capabilities.
  • RESET for resetting the program in the microcontroller.
  • XTAL1 and XTAL2 to input clock signal generator.
  • AVCC for the power supply voltage input pin for the ADC.
  • Aref for ADC reference voltage pin.

Monday, May 03, 2010

Rangkaian Alarm Kebakaran

Alarm Kebakaran

This is a simple fire alarm circuit, which can help the user's color interested against fire accidents based on a LDR and lamp pairs an alarm for sensing the fire.The works by sensing the smoke Produced During fire.The circuit produces an audible alarm the fire breaks Pls out with smoke.

Rangkaian Alarm KebakaranSkema Rangkaian Alarm Kebakaran

When a number of smoke passes Between a bulb and an LDR, the amount of light falling on the LDR decreases. This Causes the resistance of the LDR to Increase and the voltage at the base of the transistor is pulled high due to Which the supply to the COB (chip-on-board) is completed. Different cobs are available in the market to generate Different Musical. The choice of the COB depends on the user. The signal generated by COB is amplified by an audio amplifier. In this circuit, the audio power amplifier is wired around TDA2002. The sensitivity of the circuit depends on the distance Between bulb and LDR as well as the setting of preset VR1. Thus by placing the bulb and the LDR at appropriate distances, one May Vary preset VR1 to get optimum sensitivity. An ON / OFF switch is suggested to turn the circuit on and off as Desirable.

Rangkaian Alarm|Sensor Cahaya

Alarm|Sensor Cahaya

This circuit is a loud alarm at the break of the daylight. The 555 timer IC is Used here. It is working as an astable multivibrator at a frequency of about 1kHz. This circuit can be used as an anti-burglar alarm in certain rooms, such as cupboard, cupboard in the open when the light will hit the circuit, so the alarm will be activated
Rangkain Alarm CahayaRangkaian Alarm|Sensor Cahaya


When no light falls on the LDR, the transistor is pulled high by the variable resistor. Hence the transistor is OFF and the reset pin of the 555 is pulled low. Due the this the 555 is reset. When light falls on the LDR, its resistance decreases and pulls the bases of the transistor low hence turning it ON. This pulls the reset pin 4 of the 555 high and hence enables the 555 oscillator and a sound is Produced by the speakers. The 100K variable resistor has to be adjusted to set the light intensity That triggers the alarm.
IC 555 Pinning

function of each pin:
  1. Ground, is the input pin of the negative DC voltage source
  2. Trigger, the lower the negative input comparator (comparator B) that maintain low voltage oscillation capacitor in third Fcc and set RS flip-flop
  3. Output, the output pin of the IC 555.
  4. Reset, the pin which serves to reset the latch inside the IC which will affect the work to reset IC. This pin is connected to a PNP-type transistor gate, so the transistor will be active if given a logic low. Normally this pin is connected directly to avoid reset Fcc
  5. Control Voltage, this pin serves to regulate the stability of the negative reference voltage input (comparator A). This pin can be left hanging, but to ensure the stability of the reference comparator A, usually associated with the order of about 10nF capacitor to pin groun
  6. Threshold, this pin is connected to the positive input (comparator A) which will reset the RS flip-flop when the voltage on the capacitor started to exceed 2 / 3 Vc
  7. Discharge, this pin is connected to an open collector transistor Q1 is connected to ground emitternya. Switching transistor serves to clamp the corresponding node to ground at a certain timing
  8. VCC, this pin to receive a DC voltage supply. Usually will work optimally if given a 5-15V. the current supply can be viewed in a datasheet, which is around 10-15mA.

Monitor|Sensor Arus AC Menggunakan LED

Monitor|Sensor Arus AC

This circuit functions to remotely monitor Pls help a couple of electric heaters have been left on. Its sensors must be placed in contact with the feeders to be Able to monitor Pls the power cable is drawing current, Thus causing the circuit to a switch-on LED. The circuit and its coil sensor Can be placed very far from the actual load, provided an easy access to the power cable is available.

Any type of high-current load or group of loads Can be monitored, eg: heaters, motors, washing machines, dish-washers, electric ovens. Etc., provided they want dissipate a power comprised in the 0.5 at least - 1KW range. This design features three versions. The basic one illuminates a LED Pls the load is on. The second version Pls drives a relay a pre-set current value flows into the power cable. The third version Pls D7 switches-on the load power is about 1KW, D6 Pls the load power is about 2KW and D5 Pls the load power is about 3KW


Rangkaian Monitor Arus ACSkema Rangkaian Monitor|Sensor Arus AC


Notes:
  • The pick-up coil L1 is a common 10mH miniature inductor. This inductor must be placed tightly against one wire of the power cable, leaving the other wire some centimeters apart.
  • The sensitivity will be doubled if the inductor is placed tightly between the two wires as shown in the diagram, top left. On the contrary, do not place the inductor against paired wires as the signal tends to cancel and the circuit will not work.
  • The LED limiting resistor R5 should have a value comprised in the 100R - 1K range, depending on the output voltage obtained.
  • LED D1 and its limiting resistor R5 can be omitted in versions two and three of the circuit.

List Component

R1,R2,R8____________1K 1/4W Resistors
R3,R4_____________220K 1/4W Resistors
R5________________100R 1/4W Resistor
R6_________________10K 1/2W Trimmer
R7,R10______________1M 1/4W Resistors
R9_________________22K 1/2W Resistor
R11 to R17__________1K 1/4W Resistors
C1,C3_____________100Î…F 25V Electrolytic Capacitors
C2,C4_______________1Î…F 63V Electrolytic Capacitors
D1________________5mm. Red LED
D3,D4___________1N4002 100V 1A Diodes
D2,D5,D6,D7_______LEDs (Any color and size)
Q1_______________BC327 45V 800mA PNP Transistor
IC1______________TL061 Low current BIFET Op-Amp
IC1______________LM358 Low Power Dual Op-amp
IC1______________LM324 Low Power Quad Op-amp
L1________________10mH miniature Inductor
RL1______________Relay with SPDT 2A @ 220V switch
Coil Voltage 12V. Coil resistance 200-300 Ohm
J1_______________Two ways output socket



Source